Die Zündbox (CDI) der Honda Transalp XL600V (PD06 bis Modelljahr 95)

Reparatur und Ersatz

Einleitung

Diese Seite beschäftigt sich mit den beiden Zündboxen (CDI, capacitive discharge ignition, Kondensator-Entladungs-Zündung) der Transalp PD06-Modelle bis einschließlich Modelljahr 1995.
Spätere Modelljahre haben (in der Regel, Ausnahmen gab's anfänglich noch für schweizerische und österreichische Modelle) nur noch eine Zündbox mit einer vollkommen anderen Technik (ICM - Ignition Control Module, Transistorzündung), so daß die hier genannten Ausführungen nicht zutreffen.

Auch wenn die Transalp im Allgemeinen unkaputtbar ist, sorgen diese Zündboxen immer mal wieder gerne für Ärger, was ob des dafür aufgerufenen Neupreises sogar ganz besonders ärgerlich ist.

Besonders vom Zündbox-Ärger betroffen sind die Transalp-Modelle bis einschließlich Modelljahr 1993, denn bei diesen Modellen sind die beiden Zündboxen stehend unter der Sitzbank montiert: Im Laufe der Zeit drückt das Gewicht des Fahrers die Sitzbank durch und deren Grundplatte drückt auf den/die Stecker der Zündboxen. Unter diesen Bedingungen kann der Stecker an den Lötstellen in der Zündbox herausgebrochen werden. Durch den fehlenden Kontakt kommt es zu Aussetzern in der Zündanlage oder gar zum Totalausfall einer Box.

Vorbeugung

Diesem Schaden kann man jedoch auf einfache und preiswerte Weise vorbeugen:
Mit dem Modelljahr 1994 verbaute Honda eine modifizierte Halterung für die Zündboxen, die Zündboxen befinden sich nun liegend unter der Sitzbank und der Abstand zwischen Sitzbank und Zündboxen ist nun so groß, daß das oben genannte Problem wegfällt.

Diese modifizierte Zündbox-Halterung läßt sich problemlos auch in ältere Modelle einbauen und ist beim freundlichen Honda-Händler unter der Teilenummer 30401-MM9-010 gegen rund 15 EUR zu erhalten - eine lohnenswerte Investition!

Defekt erkennen

Der Ausfall der CDI-Einheit kündigt sich meist schleichend an: Ab und an ruckelt der Motor ungewohnt, es kommt vermehrt zu Fehlzündungen, ab und an scheint der Motor kurz keine Leistung zu haben, der Drehzahlmesser fällt kurz aus, schließlich fällt der vom Defekt der Zündeinheit betroffene Zylinder immer häufiger und länger komplett aus, bevor die Alp dann schlußendlich komplett zum kraftlosen Einzylinder mutiert.

Wann immer man den Verdacht hat, daß eine Zündbox Probleme macht, sollte man den Drehzahlmesser beobachten: fällt dieser zeitgleich mit den Problemen aus oder zeigt Blödsinn, dann hat sich der Verdacht erhärtet.

Nun hängt der Drehzahlmesser nur an einer Zündbox (im Normalfalle an der linken, die den hinteren Zylinder versorgt), so daß Probleme mit der anderen Zündbox keinerlei Auswirkungen auf den Drehzahlmesser haben. Hier kann man dann einfach die Zündboxen gegeneinander tauschen und so auch für die andere Zündbox den Drehzahlmesser als Defekt-Anzeiger nutzen.

Vielfach reicht es auch, einfach mal ein bißchen an den Steckern der Zündbox zu rappeln - meist nimmt dann die defekte Zündbox die Arbeit wieder auf; so hat man die Ursache ermittelt und kann gleichzeitig noch beruhigt weiterfahren.

Was tun, wenn das Kind in den Brunnen gefallen, sprich eine Zündbox kaputt ist?

Eine neue kaufen?

Klar, das ist der einfachste (und auch sicherste) Weg - allerdings muß da 'ne alte Frau ganz schön lang für stricken, um die diesbezüglichen pecuniären Forderungen des Honda-Händlers zu erfüllen.

Von daher ist eine selbst oder von einem löterfahreneren Kumpel durchgeführte Reparatur in jedem Falle einen Versuch wert - die Erfahrungen zeigen, daß sich rund zwei von drei defekten Zündboxen auf diesem Wege wieder zuverlässig reanimieren lassen!

Reparatur der Zündbox

Das, was in aller Regel den Ausfall der Zündbox verursacht, ist nämlich "nur" der Ausbruch einer (oder mehrerer) der sechs Lötkontakte für den Stecker aus der Zündbox-Platine.

Allerdings kommt man an diese Platine gar nicht so leicht ran, den die befindet sich im verschweißten Kunststoffgehäuse der Zündbox und ist darin noch einmal in einer Gummilagerung vergossen.

Zunächst gilt es vorsichtig den Deckel aufzufräsen oder aufzusägen. Man muss dazu nicht den gesamten Deckel öffnen, sondern nur die Stelle, die den Steckkontakten gegenüberliegt (ca. 3cm x 4cm). Dabei ist darauf zu achten, dass man nicht tiefer als die Wandstärke des Gehäuses (ca. 2-3 mm) schneidet, um die Platine nicht zu zerstören, mit ein bißchen Aufmerksamkeit merkt man aber, wenn man beim Schneiden die erwähnte Gummilagerung, die die Platine umgibt, erreicht - *viel Glück*!
Tipp von Joachim Peterson:
Mittels einer scharfen Feile die Kanten der Zündbox im Winkel von 45 Grad abfeilen. Da merkt - und sieht - man, wenn man durch ist. Dann lässt sich der ganze Deckel abheben. Dieser lässt sich nach erfolgreicher Reparatur dann mittels Heisskleber eben wieder - auf den aufgefeilten Kanten - verschliessen. Damit ist die Box wieder wasserdicht, und ein erneutes öffnen ist nicht ausgeschlossen. Durch den Einsatz der Feile am Rand ist aber eine Beschädigung der Platine tatsächlich so gut wie ausgeschlossen.

Ist der Deckel erst geöffnet wird nun die Gummierung entfernt. Jetzt müssten die (defekten) Lötstellen des Steckers zum Vorschein kommen:

 

 

Jetzt schnappt man seinen Feinlötkolben und passendes Elektronik-Lot (und nicht etwa die 100W-Lötpistole und den noch vorhandenen Lot-Rest vom Tiffany-Lampenschirmbau der vorvergangenen Vorweihnachtsbastelei) sowie eine Entlöt-Saugpumpe und entlötet zunächst die verdächtigen Kontakte (und zwar sicherheitshalber alle sechs!), bevor man sie dann mit frischem Lot wieder sorgfältig einlötet.

So, mit einem Quäntchen Glück sollte es das gewesen sein.
Also auf zum Test: das offene Gehäuse provisorisch mit Klebeband verschließen, ran an die Alp und Probefahrt.

Problem weg? - Herzlichen Glückwunsch!
Jetzt nur noch schnell das Gehäuse z.B. mit (essigsäurefreiem!) Silikon dauerhaft verschließen und über'n laufendes Mopped und viele gesparte Teuros freuen! :-)

Hat nix gebracht, Problem ist immer noch da? - Schade! :-/
Aber auch hier gibt's noch Hoffung: Das Problem mit schlechten Lötkontakten stellt sich mitunter nicht nur im Steckerbereich sondern an beliebig anderer Stelle auf der Zündboxplatine.

Hier hat dann das saubere Ent- und Neuverlöten aller Lötkontakte der Zündbox häufig weitergeholfen, dazu ist die Zündbox halt komplett zu öffnen. Da es nicht allzuviele Lötstellen sind, sollte man auch diesen Versuch wagen!
Scheitert auch dieses, so ist eines der Bauteile der Zündbox kaputt. Wer elektronikmäßig nicht ganz unbeleckt ist, findet weiter unten auf dieser Seite viele nützliche weitere Reparaturhinweise.

Und zum Schluß noch ein bißchen Motivation:
Bei diversen (Transalp-)Treffen gab es bereits ausgefallene CDI-Einheiten. Bisher konnten alle nach derartigen Operationen weiterfahren. :-)

 

Wenn alle Stricke reißen - oder: Die Reparatur führte nicht zum Erfolg?

Danke an Gereon 'G2' Glombitza für's Zusammentragen und Ausformulieren der folgenden Zeilen:

Gebrauchte, intakte CDIs sind etwa so begehrt wie 25-jährige, gutaussehende Millionärinnen. Und genauso häufig.
In den meisten Fällen hilft dann nur der Neukauf weiter. Für die Alp bis Bj. 95 gibt es drei verschiedene Original-Zündboxtypen:

  • Teilenummer 30410-MM9-008 im Modell VH (= Bj. 87), äußere Kennzeichnung "MM9 CI529"
  • Teilenummer 30410-MM9-830 im Modell VJ (=Bj. 88), äußere Kennzeichnung "MM9 CI558"
  • Teilenummer 30410-MS8-610 in den Modellen VK ff. (=Bj. 89 bis '95), äußere Kennzeichnung "MS8 CI558"

Die MM9-CDIs kosten derzeit (Juli '03) im Mittel etwa 170 EUR, die MS8-CDI etwa 250. Pro Stück, versteht sich :-\.
Den Preisunterschied hat noch niemand schlüssig erklären können, denn von der Funktion her sind sie im wesentlichen gleich. Mittlerweile haben eine Reihe Testkandidaten ausprobiert, ob sich eine (noch intakte) MS8 mit einer (neuen oder reparierten) MM9 paaren läßt. Das funktioniert und scheint, auch über längere Zeit, dem Motor nicht zu schaden.

Eins aber gibt es dabei zu beachten: der Seitenständerschalter wirkt auf die CDIs und dreht denen den Strom ab, wenn der Seitenständer bei eingelegtem Gang ausgeklappt ist. Diesen Seitenständerschalter gibt's aber erst bei Alps ab Bj. 88. Die MM9-008-CDIs für das Baujahr '87 können diesen Kontakt nicht schalten, daher läuft die Kiste auch bei ausgeklapptem Seitenständer weiter. Das fällt beim TÜV evtl. unangenehm auf. Wer also die billigere MM9-CDI verwenden möchte, sollte sich eine MM9-830 besorgen.

Die Alternative

Als Alternative zu mit Gold aufgewogenen Gebrauchten und noch teureren Original-Honda-Neuteilen hat Werner Möhrle eine Zündbox für alle Transalp PD06 und AfricaTwin RD03 selbst. Er schreibt dazu:

"Das 80er-Jahre Design wurde durch moderne Technik ersetzt (Mikrocontroller, IGBT, digital generierter Zündzeitpunkt, bei allen Drehzahlen konstant hohe Zündspannung). Die Stecker sind nicht in der Box integriert, sondern an Kabel angeschlagen, die Lötstellen können nicht mehr abrütteln. Manche meinen, die TA läuft mit dieser CDI besser. Gemischter Betrieb zusammen mit einer Originalbox ist kein Problem. Siehe auch Beiträge im Forum. Gebe gern weitere Auskünfte."

 

 

Wegen der großen Nachfrage hat Werner den Verkauf an den M&S Motorrad Shop (Götz Stelzenmüller) abgegeben, der die Boxen nach seinen Plänen in Kleinserie produzieren lässt. Gegenüber der oben beschriebenen Version unterscheidet sich diese CDI durch einen zusätzlichen Überspannungsschutz, so daß auch ein defekter Spannungsregler die CDIs nicht mehr beschädigen kann. Außerdem ist der Stecker jetzt wie beim Original fest angebaut.

Seit 2010 gibt es eine "Advanced-Version". Diese CDIs haben eine andere Kennlinie mit mehr Frühzündung. Das gibt mehr Leistung bei weniger Verbrauch. Möglich wird das, weil die Transalp auf Normalbenzin ausgelegt ist, das nicht mehr verkauft wird. An den Zapfsäulen, an denen noch 91 ROZ dransteht kommt auch Super raus. Daher wurde der zusätzliche Spielraum gleich zur Leistungsoptimierung genutzt.

Es gibt zwei Versionen, einmal für Alps mit und einmal für Alps ohne Seitenständerschalter (letztere sind fast alle Bj.87). Wegen unterschiedlicher Steckerbelegungen muss in diesen die Version mit Drahtschleife eingebaut werden, sonst läuft sie nicht. Beim Einsatz einer solchen CDI in einer Transalp mit Seitenständerschalter muss die Drahtbrücke durchtrennt werden, um die Seitenständerüberwachung zu aktivieren.

Durch den professionellen Vertrieb kommt man jetzt auch in den Genuß einer vernünftigen Rechnung, gesetzlicher Gewährleistung usw. Verglichen mit Hondas Apothekenpreisen bleiben die Boxen konkurrenzlos preisgünstig:

 

 

 

Platinenlayout und mehr für Elektronik-Freaks

MM9 CI529

Arnold Neugebauer hat Gerd Walter's MM9-008-CDI seziert und die Schaltung analysiert - dies sind die Ergebnisse und die sind nur was für echte Fachleute ;-).
Für eine MM8-610 findet ihr die Daten weiter unten, für die MM9-830 steht die Aktion noch aus. Das kriegen wir aber auch noch hin.....;-)

Vielleicht kann ja jetzt jemand eine Zündbox selbst bauen oder in einer günstigen Kleinserie herstellen ... :

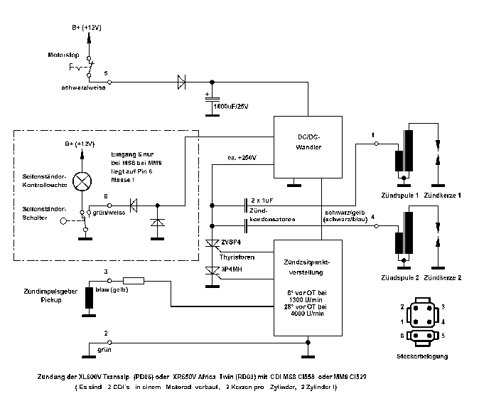
This is the layout and schematic of a Honda Transalp CDI marked MM9 CI529. I've also added oscilloscope screenshots of some selected points. These double CDIs have been built in some variants until 1995, I think (from year 1996, the CDI is a single unit and has completely changed).

The contents of the black box is not surprising. It's a standard capacitive discharge ignition like the name implies. Only the double thyristor stage is somewhat unusual. A DC-DC-Converter generates about 18 V for the signal conditioning stages and about 250 V for the ignition circuit. When triggered the thyristors ground one side of the energy storage capacitors (1 uF/400 V). The capacitors discharge through the coil primaries. When fully discharged current through the thyristors reaches 0. This turns the thyristors off. The circuitry around the MB4213 corresponds largely to the application note of its datasheet. It conditions the sensor signal and triggers the thyristors with the correct timing.

The layout is seen from the solder side. This is the side you will see when opening the CDI on the opposite of the connector. Remove the edge all around with a file until you see a fine line of the rubber. Then lift off the back of the plastic cover and remove the rubber that covers the solder side of the board.

Just resoldering all connections has helped in many cases. If a component failes it is most likely a semiconductor in the ignition cuircuit (thyristors, diodes).

There are some static voltages given in the schematic (measured with no sensor signal applied). When measuring connect a 10 K resistance instead of an ignition coil. This provides a DC path for one of the capacitors.

For a simple functional test apply a square wave to the sensor input (60 Hz, 10 Vss, Offset -3 V, 10 % duty cycle). Most of the oscilloscope screenshots have been taken with this input and a 10 K resistance connected instead of the ignition coil (the voltages at point 6 and 7 are in this case much lower than 250 V since the energy storage capacitor charges too slow with 10 K).

With no sensor signal applied the current consumption is about 50 mA. With one ignition coil and one spark plug connected and the test square wave as sensor signal the current consumption is about 300 mA.

If one of the thyristors is broken (shorted) the CDI seems to work but the motor doesn't run well. The spark lacks power and fails sometimes. The speedometer connected to the CDI doesn't work well. The voltage peak at the CDI output has to be about 400 Vss. A malfunctioning CDI generates only half of this.

A new CDI of this type costs 163 Euro (August 2002).
You can send it in for repair to Motek for 110 Euros.
Or you can do it by yourself -- Good luck! --

Different pics to the CDI unit layout

MS8 CI558

Diese Analyse verdanken wir Hansi, der die Eignung der MS8 CI558 für seine XL600RM überprüfen wollte.

Wer eine MS8 CI558 CDI öffnet findet wenig neues. Die Schaltung entspricht weitestgehend der MM9-CDI, welche ja bereits durch Arnold Neugebauer hervorragend analysiert wurde. Selbst das Layout hat sich nur geringfügig verändert: Einige Bauteile wurden durch SMD-Typen ersetzt und an Pin 6 (bei MM9-CDI Masse) der Steckverbindung findet sich ein neuer Eingang. Dieser Eingang wird durch ein Masse-Signal vom Seitenständerschalter gesteuert. Ist der Seitenständer eingeklappt, so liegt hier Masse. Dieses Signal steuert einen neuen sechsten Transistor welcher den Leistungstransistor Typ 2SC2334 zur Erzeugung der Zündspannung (DC/DC-Wandler) frei gibt. So erzeugt die CDI nur Zündimpulse wenn auch der Seitenständer eingeklappt ist!

 

Kommentare:

benno88

Auch das war sehr nützlich als ich probleme an der 650er Africa Twin hatte. Danke!

Sam

Die CDI funzen bestens mit der 88' AT! Deutlich schnellere und kraftvollere Reaktion auf den Gashahnen! TOP! New Feeling!

Martin

Moin.

Hätte nicht gedacht, dass ich die Seite so schnell mal brauche. Aber Topp. Meine CDI repariert. War ein Platinenbruch. Vermutlich da, wo ich in die Seite eines Sprinters eingeschlagen bin.

Jetzt läuft se wieder dank der tollen Reparaturanleitung.

Danke.

Gruss Aus dem Westerwald

Martin

alpenritter

Servus,

 

man bekommt die MS8 CDI bei der Firma MTP Racing bereits für 55 € zzgl. Versand (Stand 17.09.2015): :-)

mtp-racing.de/index.php

 

Viele Grüße aus dem Bayernlande

Felix

Bill Lambert

Moin Felix, wie sind deine 55 Euro MS8 CDI von MTP Racing?

Ob es lohnt 150 Euro für ein paar ausgeben für die extra Performance die digitale CDI Dual Lines von M&S Motorrad Shop für mein PD06 93er?

Interessanterweise habe ich sofort gedacht es war eine die CDI's das die Fehler heute verursacht hat auf meine Heimweg da ich auch im 1996 beim mein 89er TA im Australia die gleiche gehappt. Diesmal war die Problem sofort da, damals war es mehr intermittant und bin ich auf Deti's web site dahmals fundig geworden. Mfg Bill